Thông số kỹ thuật:
Hãy để lại SĐT, chúng tôi sẽ gọi lại cho bạn ngay!
Van bướm tín hiệu điện AUT là dòng van chuyên dụng trong các hệ thống PCCC. Đây là dòng van bướm tay quay thông thường được gắn thêm bộ tín hiệu điện để giúp người vận hành dễ dàng kiểm soát tình trạng đóng mở của van từ xa. Trong bài viết này chúng tôi sẽ trình bày chi tiết về van bướm tín hiệu điện AUT, mời các bạn cùng theo dõi ở bài viết dưới đây nhé!
Van bướm tín hiệu điện AUT hay còn gọi là " van bướm kèm công tắc giám sát AUT ", là dòng van bướm được sản xuất và phân phối bởi hãng Van AUT - Malaysia. Các sản phẩm của thương hiệu này được sản xuất bằng công nghệ hiện đại, tuân thủ các tiêu chuẩn quốc tế trong quá trình sản xuất cũng như trải qua các giai đoạn kiểm định khắt khe trước khi đưa ra thị trường. Nên đem đến cho khách hàng những sản phẩm chất lượng tốt, không những thế giá cả còn tương đối cạnh tranh.

Van bướm tín hiệu điện AUT cũng tương tự như các loại van bướm khác, tuy nhiên bên cạnh bộ phận tay quay được thiết kế để vận hành theo phương thức thủ công, dòng van này còn được tích hợp một bộ phận giám sát tín hiệu điện. Bộ tín hiệu này có chức năng theo dõi, phát hiện và truyền tín hiệu về phòng điều khiển. Qua đó giúp người dùng dễ dàng kiểm soát trạng thái đóng mở của van từ xa cũng như dễ dàng phát hiện ra những sự cố hư hỏng.
Van bướm kèm công tắc giám sát AUT có các kích thước thông dụng từ DN50 - DN500. Dòng van này thường được lắp đặt trong các hệ thống cấp thoát nước PCCC hay lắp đặt tại các môi trường độc hại, các vị trí khuất lấp… Hiện nay dòng van này được Van công nghiệp Âu Việt phân phối trực tiếp tại thị trường Việt Nam, hàng sẵn số lượng lớn, chiết khấu tốt nhất thị trường hiện nay.
Van bướm kèm công tắc giám sát AUT có khả năng gửi tín hiệu về hệ thống điều khiển hay trung tâm giám sát. Chúng giúp người vận hành biết được van đang ở trạng thái đóng hay mở mà không cần đến kiểm tra trực tiếp.
Đối với các hệ thống lớn hay phức tạp khả năng theo dõi từ xa giúp tiết kiệm thời gian, công sức cũng như nâng cao hiệu quả quản lý vận hành
Dòng van này giúp tăng độ an toàn cho hệ thống bằng cách kịp thời phát hiện sự cố, khi van hoạt động không đúng cách hay gặp sự cố. Lúc này tín hiệu cảnh báo có thể ngay lập tức được gửi về hệ thống giám sát. Qua đó giúp người vận hành phát hiện và xử lý sự cố nhanh chóng.
Việc theo dõi tình trạng van thông qua tín hiệu điện giúp người vận hành không cần phải kiểm tra trực tiếp tại vị trí lắp đặt. Điều này đặc biệt hữu ích đối với các hệ thống có quy mô lớn hay nhiều van phân tán.
Dòng van này có cấu tạo đơn giản và dễ lắp đặt vào các hệ thống hiện có. Khả năng kết nối với hệ thống giám sát giúp tối ưu hoá quá trình bảo trì và giảm thiểu thời gian dừng hệ thống.

Van được thiết kế đơn giản, nhỏ gọn. Khiến dòng van này được ưa chuộng trong các hệ thống phức tạp và muốn tiết kiệm diện tích.
Ngoài ra đường kính van bằng với đường kính ống giúp dòng chảy đi qua van mà không bị ảnh hưởng.
Van được sử dụng rộng rãi trong các hệ thống lớn bởi khả năng vận hành dễ dàng và momen xoắn thấp.
Khả năng giám sát từ xa giúp tiết kiệm chi phí lao động khi không cần phải kiểm tra thủ công từng van, đặc biệt trong các hệ thống phức tạp hoặc nằm ở vị trí khó tiếp cận.
Van bướm tín hiệu điện giúp tối ưu hóa quy trình quản lý, tăng cường khả năng tự động hóa và kiểm soát từ xa, giúp quản lý vận hành hiệu quả và giảm thiểu sự cố.
Giá thành van rẻ hơn so với các loại van điều khiển khác, đặc biệt là những van có kích cỡ lớn.
Ngoài ra dòng van này có độ bền cao, ít khi xảy ra sự cố cùng với khả năng giám sát trạng thái giúp người quản lý biết thời điểm cần thay thế hay bảo dưỡng van một các chính xác. Qua đó giúp tiết kiệm chi phí và thời gian.
Van bướm tín hiệu điện AUT có cơ chế hoạt động tương tự như các loại van bướm thông thường. Tuy nhiên dòng van này được bổ sung thêm khả năng giám sát và báo cáo tình trạng đóng mở. Cụ thể như sau:
Khi người vận hành xoay tay quay để đóng hay mở van, lúc này công tác tín hiệu điện sẽ phát hiện chuyển động này và gửi tín hiệu về hệ thống điều khiển hay bảng điều khiển trung tâm.
Khi van mở, công tắc tín hiệu sẽ phát hiệu vị trí của đĩa van nằm ngang, song song với dòng chảy lưu chất (góc mở 90 độ). Lúc này lưu lượng lưu chất đi qua là lớn nhất và tín hiệu báo về tủ là van đang mở hoàn toàn.
Khi van đóng, đãi van nằm vuông góc với dòng chảy (góc mở 0 độ) và chặn dòng chảy lưu chất. Khi đó bộ tín hiệu sẽ báo trạng thái hiện tại là van đang ở trạng thái đóng về tủ trung tâm.
Nhờ vậy mà người vận hành có thể theo dõi tình trạng hiện tại của van từ xa mà không phải ra trực tiếp. Qua đó giúp tiết kiệm thời gian và nâng cao hiệu suất hoạt động.
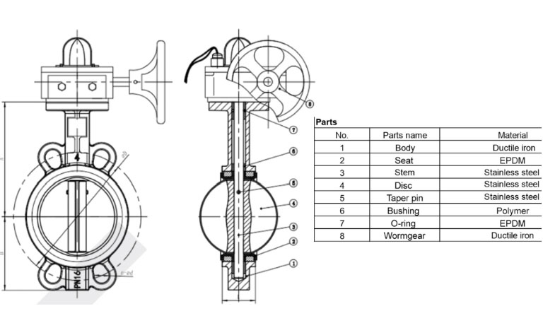
Van bướm tín hiệu điện AUT được cấu tạo từ các bộ phận chính như:
Là bộ phận chịu lực cho van và là bộ khung liên kết các bộ phận còn lại của van với nhau.
Được đúc nguyên khối từ chất liệu gang, nên ngoài được phủ thêm 1 lớp sơn Epoxy màu đỏ dày ≥250 μm.
Thân van được thiết kế kết nối hệ thống dạng kẹp Wafer.
Bộ phận dạng đĩa tròn có hình cánh bướm và được gắn với đầu dưới của ty van.
Đĩa van được chế tạo từ chất liệu inox, nên có độ bền cao, khả năng chống ăn mòn tốt, chúng phù hợp với đa số hệ thống hiện nay từ nước sạch đến nước thải.
Đây là bộ phận tiếp xúc trực tiếp với dòng lưu chất. Khi đĩa van xoay ngang, chúng cho phép dòng lưu chất đi qua. Còn khi đĩa van nằm vuông góc với dòng chảy, van đóng, chặn dòng chảy lưu chất.

Bộ phận được sản xuất từ chất liệu inox theo dạng trục tròn. Đầu trên của trục van được gắn với bộ phận truyền động, đầu dưới được gắn với đĩa van.
Trục van nhận lực từ bộ phận truyền động và truyền đến đĩa van để thực hiện thao tác đóng mở.
Gioăng làm kín được chế tạo từ cao su EPDM. Bộ phận này được cố định vào giữa thân van và đĩa van, chúng giúp van vận hành êm ái, hạn chế rờ rỉ lưu chất đồng thời an toàn với nước sạch.
Bộ phận được gắn cố định phía trên thân van bởi bu lông và đai ốc.
Đây là bộ phận nhận lực của con người để vận hành van. Khi cần đóng mở van người vận hành chỉ cần xoay tay quay sang phải hay sang trái.
Thành phần quan trọng nhất của van bướm tín hiệu điện.
Bộ phận này được làm bằng nhựa cao cấp nên bền bỉ với môi trường. Phần tín hiệu gồm 3 dây trong đó dây tráng báo tình trạng mở, dây đen báo tình trạng đóng và dây đỏ báo tình trạng trung hòa (Tùy vào đơn vị sản xuất mà có thể sẽ có màu dây phân biệt khác nhau).

Van bướm tín hiệu điện AUT được sử dụng rộng rãi trong các ngành công nghiệp, một số ứng dụng tiêu biểu như:
Van được sử dụng trong các hệ thống phân phối nước để kiểm soát lưu lượng. Việc giám sát từ xa giúp đảm bảo lưu lượng nước được phân phối đều và ổn định.
Trong xử lý nước thải, van được sử dụng để kiểm soát dòng chảy của nước thải từ các bể chứa hay giữa các giai đoạn xử lý. Qua đó giúp đảm bảo an toàn, ngăn ngừa tràn hay rò rỉ chất thải độc hại.
Van được lắp đặt trong các hệ thống phun nước chữa cháy để kiểm soát lưu lượng nước nhằm đảm bảo luôn sẵn sàng cho việc cung cấp nước khi có hỏa hoạn. Khi van mở hoặc đóng, tín hiệu sẽ được truyền về trung tâm điều khiển để xác nhận tình trạng sẵn sàng của hệ thống.
Trong các hệ thống HVAC, dòng van này được sử dụng để điều tiết lưu lượng nước lạnh và nước nóng. Việc giám sát trạng thái đóng mở giúp đảm bảo rằng hệ thống điều hòa hoạt động hiệu quả và cung cấp đủ lượng khí theo yêu cầu.
Ngoài ra dòng van này còn được sử dụng để làm van cô lập cho máy bơm, máy làm lạnh hay các thiết bị khác trong hệ thống HVAC. Chúng giúp quá trình bảo trì và sửa chữa đơn giản, nhanh chóng mà không cần phải tắt toàn bộ hệ thống.
Van bướm kèm công tắc giám sát AUT được sử dụng để soát lưu lượng trong đường ống tưới tiêu quy mô lớn.
Vận hành thủ công giúp tiết kiệm chi phí cũng như giúp van được ưa chuộng trong nông nghiệp bởi thiết kế đơn giản và không phụ thuộc vào nguồn điện.

Trong các nhà máy điện, van được sử dụng để kiểm soát và giám sát lưu lượng nước và hơi nước. Chúng giúp đảm bảo các quá trình diễn ra ổn định và hiệu quả.
Dòng van này còn được tích hợp vào các hệ thống nồi hơi để giám sát dòng chảy của hơi nước và nước ngưng. Chúng giúp đảm bảo an toàn cho hệ thống và tránh tình trạng quá tải.
Van bướm kèm công tắc giám sát AUT được sử dụng để giám sát lưu lượng và trạng thái đóng mở trong các đường ống dẫn dầu và khí đốt. Với khả năng vận hành và phản hồi từ xa rất quan trọng đối với việc đảm bảo an toàn trong các hệ thống truyền dẫn và lưu trữ dầu khí. Chúng giúp tránh tình trạng rò rỉ và thất thoát lưu lượng.
Ngoài ra trong các nhà máy lọc hóa dầu, van được sử dụng để kiểm soát lưu lượng vào và ra các bể chứa dầu thô hay khí đốt. Chúng giúp tối ưu hóa các quá trình xử lý.
Trong ngành công nghiệp giấy, van được sử dụng để giám sát dòng chảy của bột giấy hay hóa chất trong quá trình sản xuất giấy. Chúng giúp các quy trình sản xuất được điều chỉnh hợp lý và hiệu quả.
Giúp tăng cường tự động hóa trong quá trình sản xuất nhờ việc giám sát trạng thái. Qua đó giúp nâng cao hiệu suất và giảm thiểu sự cố vận hành…
Khi lựa chọn, lắp đặt và sử dụng van để van hoạt động ổn định, bền bỉ, hiệu suất cao cần lưu ý một số điểm như:
Van công nghiệp Âu Việt là một trong những địa chỉ uy tín trong nhập khẩu và phân phối dòng van bướm tín hiệu điện của thường hiệu AUT chính hãng, ngoài ra chúng tôi còn cung cấp các dòng van bướm cơ khác với đa dạng chủng loại nhằm đáp ứng được các ưu cầu khác nhau của hệ thống. Với quy mô kho hàng rộng hơn 1000m2 đặt tại các thành phố lớn như Hà Nội, Đà Nẵng và TP Hồ Chí Minh có sẵn số lượng lớn sản phẩm sẵn sàng đáp ứng nhu cầu của khách hàng.

Khi đến với Van công nghiệp Âu Việt khách hàng sẽ nhận được:
Trên đây là những chia sẻ của Van công nghiệp Âu Việt về dòng van bướm tín hiệu điện AUT. Hiện nay dòng van này là thiết bị quan trọng và không thể thiếu trong các hệ thống PCCC. Nhờ khả năng giám sát từ xa, độ tin cậy, chúng giúp nâng cao hiệu quả và độ an toàn của các hệ thống PCCC.
Hy vọng bài viết này đã cung cấp cho bạn những thông tin bổ ích về van bướm tín hiệu điện AUT. Nếu bạn cần tư vấn thêm về kỹ thuật hay báo giá van bướm tín hiệu điện AUT hãy gọi ngay đến HOTLINE: 0962 455 506 hoặc Email: kdauviet3@gmail.com của chúng tôi để được hỗ trợ tốt nhất.