Thông số kỹ thuật:
Hãy để lại SĐT, chúng tôi sẽ gọi lại cho bạn ngay!
Van một chiều lò xo đồng là một thiết bị bảo vệ hệ thống xử lý, cấp thoát nước thải. Nó chỉ cho phép dòng chảy đi theo một hướng nhất định mà không thể đi ngược lại.
Tuy van một chiều chỉ là một thiết bị nhỏ trong hệ thống nhưng nó lại mang trên mình sứ mệnh vô cùng quan trọng. Nó đảm bảo chế độ vận hành cho cả một hệ thống, giúp hệ thống được an toàn khi có sự cố tụt áp.
Van 1 chiều lò xo đồng thường được lắp theo trục đứng do kết cấu đặc biệt của thân van và lò xo.
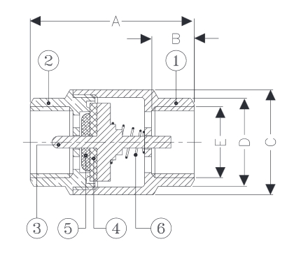
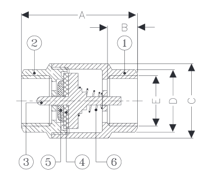
Xem chi tiết cấu tạo: Van 1 chiều lò xo

| Model | Kích thước | B | C | D | E | |
| SCV15 | 1/2" | 48 | 12,5 | 33 | CH26 | PS 1/2" |
| SCV20 | 3/4" | 53 | 12,5 | 40 | CH32 | PS 3/4" |
| SCV25 | 1" | 58 | 13,5 | 47 | CH38 | PS 1" |
|
(Inch) Cỡ van DN (mm) |
1/2 15 |
3/4 20 |
1 25 |
1.1/4 32 |
1.1/2 40 |
2 50 |
| Model | M2185 | M2192 | M2208 | M2215 | M2222 | M2239 |
|
ØA (mm) |
32 |
39 |
46.5 |
58.5 |
67.5 |
79 |
|
B (mm) |
9.5 |
9.5 |
10 |
12.5 |
13.5 |
14.5 |
|
ØC (mm) |
19 |
23 |
29.5 |
37 |
43 |
55 |
|
L (mm) |
43 |
48 |
51 |
58.5 |
66 |
72.5 |
|
SW (mm) |
24 |
29,5 |
36 |
46 |
52 |
64 |
|
Trọng lượng (g) |
110 |
167 |
224 |
412 |
527 |
621 |
|
Cái / hộp |
15 |
15 |
12 |
6 |
6 |
3 |
|
(inch) Cỡ van DN (mm) |
1/2 15 |
3/4 20 |
1 25 |
1.1/4 32 |
1.1/2 40 |
2 50 |
2.1/2 65 |
3 80 |
4 100 |
| Mã SP - Code | M2000 | M2017 | M2024 | M2031 | M2048 | M2055 | M2062 | M2079 | M2086 |
|
ØA (mm) |
32.5 |
38.5 |
47 |
59 |
68.5 |
79 |
101 |
110 |
140 |
|
B (mm) |
10.5 |
10.5 |
11.5 |
13.5 |
13 |
14 |
17 |
19.5 |
22 |
|
ØC (mm) |
18 |
23.5 |
29.5 |
34 |
44 |
54 |
64 |
78 |
98 |
|
L (mm) |
49 |
54 |
56.5 |
66.5 |
72.5 |
78 |
87 |
98 |
113 |
|
SW (mm) |
25,5 |
31 |
37 |
46 |
53 |
65 |
82 |
94 |
122 |
|
Trọng lượng (g) |
139 |
185 |
255 |
545 |
725 |
1090 |
1.300 |
1500 |
|
|
Cái / hộp |
15 |
15 |
12 |
6 |
6 |
2 |
2 |
2 |
1 |
Van 1 chiều lò xo đồng có ứng dụng rộng rãi trong nhiều thiết bị thủy lực: hệ thống kỹ thuật nước, nhiệt, hơi, hệ thống thông gió, phòng cháy chữa cháy, điều hòa không khí, xử lý chất thải…
Dùng trong các khu công nghiệp, các công ty bia, rượu, các lĩnh vực dân dụng, nước giải khát, dân dụng, các công ty môi trường và xử lý rác thải...
Xem tất cả sản phẩm: Van 1 chiều
Hiện nay, trên thị trường có rất nhiều nhà phân phối các hãng van 1 chiều lò xo bằng đồng khác nhau. Người mua van gần như không có biết ở đâu là địa chỉ mua van uy tín. Chính vì thế, để tìm được địa điểm mua van uy tín với khách hàng là một việc làm hết sức quan trọng.
Đơn vị Van công nghiệp Âu Việt là địa chỉ chuyên cung cấp van công nghiệp. Bởi khi mua thiết bị van công nghiệp tại đây qúy vị sẽ nhận được những quyền lợi sau đây:
Gọi ngay HOTLINE: 0962 455 506 hoặc Email: kdauviet3@gmail.com để nhận tư vấn về kỹ thuật cũng như đặt hàng.